鸿雁器乐合奏
门禁权限申请表
Revit教程-结构
gnuplot-pdf
rman备份恢复详细方案
图书管理系统开题报告
EDA技术实用教程.ppt
Oracle数据仓库解决方案
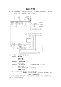
调试手册
数据库课程设计实验报告